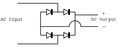
Penyearah adalah rangkaian elektronika yang berfungsi menyearahkan gelombang arus listrik. Arus listrik yang semula berupa arus bolak-balik jika dilewatkan rangkaian Penyearah akan berubah menjadi arus searah.
Sumber: Lihat artikel asli di Wikipedia

Penyearah adalah rangkaian elektronika yang berfungsi menyearahkan gelombang arus listrik. Arus listrik yang semula berupa arus bolak-balik jika dilewatkan rangkaian Penyearah akan berubah menjadi arus searah.